Oeillets de bottes

Oeillets de bottes

Nous fabriquons des œillets de bottes tous les jours ici chez Nuote Metals à Dongguan. Les œillets sont les anneaux métalliques solides que vous voyez sur les bottes. Les lacets les traversent. Nous fabriquons nos œillets de bottes à partir de matériaux résistants. Ils doivent durer longtemps. Nous les produisons en différentes tailles et finitions. Certains sont brillants, d’autres mats. Tous sont conçus pour être durables.

envoyer une demande

Description du produit

Présentation des œillets de démarrage

Les œillets de bottes ont un rôle très important. Ils renforcent les trous du lacet. Sans eux, les trous se déchireraient facilement. Lorsque vous serrez vos lacets, les œillets de bottes supportent la pression. Ils aident également les lacets à bouger en douceur. Cela facilite l'enfilage et le retrait de vos bottes.


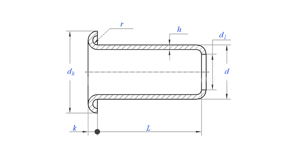
œillets de démarrage dessinant comme ci-dessous :


Paramètre des œillets de démarrage (spécification)



Matériel Laiton, acier, aluminium, acier inoxydable, cuivre
Traitement de surface Propre, zingage, nickelage, placage d'argent, comme demandé
Certificat Conforme RoHS
Diamètre de la tige 0,8-10 mm
Tolérance +/-0,05mm
Application Convient pour une utilisation dans diverses industries, notamment l'automobile, l'aérospatiale, l'électricité et l'électronique, etc.
Contrôle de qualité Une inspection à 100 % de toute la gamme tout au long de la production garantit que chaque produit répond à la norme ISO, garantissant ainsi des produits de haute qualité.




Fonctionnalité et application des œillets de démarrage

Vous pouvez trouver des œillets de bottes sur de nombreux types de bottes. Les bottes de travail en ont. Les chaussures de randonnée les utilisent. Les bottes militaires en ont aussi besoin. Même les bottes en cuir à la mode ont des œillets de démarrage. Ils aident à garder vos pieds en sécurité et confortables. Sans de bons œillets pour bottes, les bottes ne s'ajusteraient pas correctement ou ne dureraient pas aussi longtemps.


Détails de production des œillets de bottes


FAQ :

Q1 : Quel est votre MOQ pour les œillets de démarrage ?

Le MOQ pour les rivets est de 20 000 pièces.


Q2 : Pouvez-vous personnaliser la fabrication avec notre dessin ?

Oui, la plupart de nos rivets tubulaires sont fabriqués sur mesure avec le dessin du client.


Q3 : Pourriez-vous fournir des échantillons gratuits des rivets creux ?

Nous pouvons fournir des échantillons gratuits pour la taille que nous avons en stock, mais les clients paieront les frais Express.


Q4 : Quel est votre délai de livraison ?

Taille des rivets en stock : 3-5 jours, rivets non standard : 15-25 jours. Nous effectuerons la livraison dans les plus brefs délais avec la garantie de qualité.


Q5 : La qualité de vos produits ?

La société dispose d'équipements de production et de test avancés. Chaque produit sera inspecté à 100 % par notre département QC avant expédition.


Q6 : Pourquoi choisissons-nous la technologie Nuote ?

1. Nous respectons les conditions du client pour protéger les projets de confidentialité des clients.

2. Haute qualité à prix attractif

3. Délai de livraison rapide

4. Bonne affaire et honnêteté envers le client et le partenaire

5. L'annonce de vente professionnelle répond à votre demande dans les 8 heures.

6. Les produits et services de Nuote sont vendus dans plus de 70 pays avec une bonne réputation


Balises actives: Oeillets de bottes, Oeillets de bottes en Chine, Fabricant d'œillets de bottes
Catégorie associée
envoyer une demande
N'hésitez pas à faire votre demande dans le formulaire ci-dessous. Nous vous répondrons dans les 24 heures.
X
Nous utilisons des cookies pour vous offrir une meilleure expérience de navigation, analyser le trafic du site et personnaliser le contenu. En utilisant ce site, vous acceptez notre utilisation des cookies. politique de confidentialité