Oeillets PCB

Oeillets PCB

Les œillets PCB sont de petits anneaux métalliques conçus pour être installés dans un circuit imprimé. Cela peut paraître simple, mais cela joue un rôle important. Les gens les utilisent pour créer des trous solides et fiables dans un PCB. Ce petit composant permet de garantir que les connexions ne soient pas endommagées lors de l'assemblage ou de l'utilisation. Nuote Metals est heureux de vous aider à en savoir plus sur les œillets pour PCB.

envoyer une demande

Description du produit

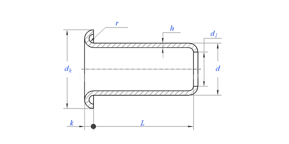
Introduction des œillets PCB

La tâche principale d'un œillet PCB est de renforcer un trou. Il est généralement fabriqué en laiton et souvent plaqué d'étain ou de soudure. Cela facilite la soudure de composants. Lorsqu'il est enfoncé dans la carte, un œillet PCB renforce le trou, empêchant ainsi les fissures dans la trace de cuivre. Il agit comme un manchon durable qui protège le matériau délicat du circuit imprimé.


Oeillets PCB dessin comme ci-dessous :

Paramètre des œillets PCB (spécification)



Matériel Laiton
Traitement de surface Propre, zingage, nickelage, placage d'argent, comme demandé
Certificat Conforme RoHS
Diamètre de la tige 0,8-10 mm
Tolérance +/-0,05mm
Application Convient pour une utilisation dans diverses industries, notamment l'automobile, l'aérospatiale, l'électricité et l'électronique, etc.
Contrôle de qualité Une inspection à 100 % de toute la gamme tout au long de la production garantit que chaque produit répond à la norme ISO, garantissant ainsi des produits de haute qualité.



Exposition d'application d'oeillets de carte PCB :


Caractéristique et application des œillets PCB

Vous trouverez des œillets PCB utilisés dans de nombreux produits électroniques. Ils sont parfaits pour les endroits nécessitant un point de connexion solide, comme un transformateur ou un gros pied de composant. Un œillet PCB est également courant dans les points de test, où une sonde peut se connecter à plusieurs reprises. Dans les interrupteurs ou les connecteurs, l'œillet du PCB garantit que la contrainte mécanique s'exerce sur le manchon métallique et non sur la carte fragile elle-même. Ils sont essentiels pour fabriquer des appareils électroniques qui durent.


Oeillets PCB Détails de production

Informations sur l'emballage

FAQ :

Q1 : Quel est votre MOQ pour les œillets PCB ?

Le MOQ pour les rivets est de 20 000 pièces.


Q2 : Pouvez-vous personnaliser la fabrication avec notre dessin ?

Oui, la plupart de nos rivets tubulaires sont fabriqués sur mesure avec le dessin du client.


Q3 : Pourriez-vous fournir des échantillons gratuits des rivets creux ?

Nous pouvons fournir des échantillons gratuits pour la taille que nous avons en stock, mais les clients paieront les frais Express.


Q4 : Quel est votre délai de livraison ?

Taille des rivets en stock : 3-5 jours, rivets non standard : 15-25 jours. Nous effectuerons la livraison dans les plus brefs délais avec la garantie de qualité.


Q5 : La qualité de vos produits ?

La société dispose d'équipements de production et de test avancés. Chaque produit sera inspecté à 100 % par notre département QC avant expédition.


Q6 : Pourquoi choisissons-nous la technologie Nuote ?

1. Nous respectons les conditions du client pour protéger les projets de confidentialité des clients.

2. Haute qualité à prix attractif

3. Délai de livraison rapide

4. Bonne affaire et honnêteté envers le client et le partenaire

5. L'annonce de vente professionnelle répond à votre demande dans les 8 heures.

Les produits et services 6.Nuote sont vendus dans plus de 70 pays avec une bonne réputation


Balises actives: Oeillets pour PCB, Œillets pour PCB, Oeillets pour PCB en Chine
Catégorie associée
envoyer une demande
N'hésitez pas à faire votre demande dans le formulaire ci-dessous. Nous vous répondrons dans les 24 heures.
X
Nous utilisons des cookies pour vous offrir une meilleure expérience de navigation, analyser le trafic du site et personnaliser le contenu. En utilisant ce site, vous acceptez notre utilisation des cookies. politique de confidentialité