Oeillets à rivets

Oeillets à rivets

Les œillets à rivets sont de petites attaches en forme d'anneau. Il est conçu pour être placé dans un trou, puis son bord est rabattu pour maintenir les matériaux ensemble. Nuote Metals à Dongguan est une usine fiable pour fabriquer ces pièces utiles.

envoyer une demande

Description du produit

Introduction des œillets à rivets

La principale caractéristique d’un œillet à rivets est son centre creux. Ce trou le rend plus léger qu'un rivet solide. Il permet également le passage d'éléments tels que des fils ou des cordons. L'installation d'un œillet à rivets est un processus simple et rapide, c'est pourquoi ils sont très populaires en production.


Exposition d'applications :

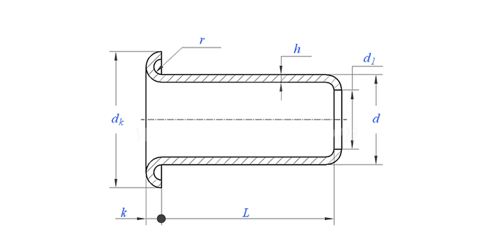
Dessin des œillets à rivets comme ci-dessous :



Paramètre des œillets de rivet (spécification)



Matériel Laiton, acier, aluminium, acier inoxydable, cuivre
Traitement de surface Propre, zingage, nickelage, placage d'argent, comme demandé
Certificat Conforme RoHS
Diamètre de la tige 0,8-10 mm
Tolérance +/-0,05mm
Application Convient pour une utilisation dans diverses industries, notamment l'automobile, l'aérospatiale, l'électricité et l'électronique, etc.
Contrôle de qualité Une inspection à 100 % de toute la gamme tout au long de la production garantit que chaque produit répond à la norme ISO, garantissant ainsi des produits de haute qualité.




Caractéristique et application des œillets à rivets

Vous pouvez trouver des œillets à rivets dans de nombreux produits courants. Ils sont utilisés dans les chaussures pour les trous de lacets et dans les sacs pour les attaches des sangles. Ils sont également importants dans l’électronique et les pièces automobiles. Dans toutes ces utilisations, l’œillet à rivet assure une connexion solide et durable.


Détails des œillets à rivets

Informations sur l'emballage

FAQ :

Q1 : Quel est votre MOQ pour les œillets à rivets ?

Le MOQ pour les rivets est de 20 000 pièces.


Q2 : Pouvez-vous personnaliser la fabrication avec notre dessin ?

Oui, la plupart de nos rivets tubulaires sont fabriqués sur mesure avec le dessin du client.


Q3 : Pourriez-vous fournir des échantillons gratuits des rivets creux ?

Nous pouvons fournir des échantillons gratuits pour la taille que nous avons en stock, mais les clients paieront les frais Express.


Q4 : Quel est votre délai de livraison ?

Taille des rivets en stock : 3-5 jours, rivets non standard : 15-25 jours. Nous effectuerons la livraison dans les plus brefs délais avec la garantie de qualité.


Q5 : La qualité de vos produits ?

La société dispose d'équipements de production et de test avancés. Chaque produit sera inspecté à 100 % par notre département QC avant expédition.


Q6 : Pourquoi choisissons-nous la technologie Nuote ?

1. Nous respectons les conditions du client pour protéger les projets de confidentialité des clients.

2. Haute qualité à prix attractif

3. Délai de livraison rapide

4. Bonne affaire et honnêteté envers le client et le partenaire

5. L'annonce de vente professionnelle répond à votre demande dans les 8 heures.

6. Les produits et services de Nuote sont vendus dans plus de 70 pays avec une bonne réputation


Balises actives: Oeillets à rivets, oeillets à rivets en Chine, fabricant d'oeillets à rivets
Catégorie associée
envoyer une demande
N'hésitez pas à faire votre demande dans le formulaire ci-dessous. Nous vous répondrons dans les 24 heures.
X
Nous utilisons des cookies pour vous offrir une meilleure expérience de navigation, analyser le trafic du site et personnaliser le contenu. En utilisant ce site, vous acceptez notre utilisation des cookies. politique de confidentialité