Oeillets de bannière

Oeillets de bannière

Nous sommes Nuote Metals de Dongguan, en Chine. Nous fabriquons des œillets pour bannières publicitaires. Notre usine produit des œillets de bannière depuis de nombreuses années. Nous utilisons des matériaux solides pour fabriquer nos œillets de bannière. Le laiton et l'acier sont nos principaux matériaux. Nous fabriquons des œillets de bannière dans différentes tailles. Les petites bannières utilisent de petits œillets de bannière. Les grandes bannières nécessitent de gros œillets. Chaque L'œillet de bannière est vérifié par nos travailleurs avant l'expédition. Ils s'assurent que chaque pièce est parfaite. De nombreuses agences de publicité utilisent nos œillets pour bannières. Ils aiment notre qualité et notre bon prix. Nous pouvons préparer rapidement des échantillons pour les nouveaux clients.

envoyer une demande

Description du produit

Présentation des œillets de bannière

Les œillets de bannière sont des anneaux métalliques pour bannières. Ils sont placés le long des bords des banderoles. Des cordes ou des ficelles passent à travers ces œillets de bannière. Les œillets de bannière facilitent l'accrochage des bannières. Ils protègent les trous de la bannière contre les déchirures. Les bons œillets de bannière restent solides sous le vent et la pluie. Ils ne rouillent pas et ne se cassent pas facilement. L'installation des œillets de bannière nécessite une machine spéciale. La machine enfonce chaque œillet de la bannière dans le matériau de la bannière. Ensuite, l'œillet de la bannière est bien en place. Cela rend les bannières prêtes à être utilisées en extérieur.


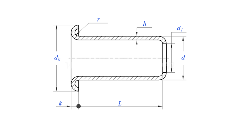
Paramètre des œillets de bannière (spécification)



Matériel Laiton, acier, aluminium, acier inoxydable, cuivre
Traitement de surface Propre, zingage, nickelage, placage d'argent, comme demandé
Certificat Conforme RoHS
Diamètre de la tige 0,8-10 mm
Tolérance +/-0,05mm
Application Convient pour une utilisation dans diverses industries, notamment l'automobile, l'aérospatiale, l'électricité et l'électronique, etc.
Contrôle de qualité Une inspection à 100 % de toute la gamme tout au long de la production garantit que chaque produit répond à la norme ISO, garantissant ainsi des produits de haute qualité.



Oeillets de bannière dessinant comme ci-dessous :

Application d'oeillets de bannière:

Fonctionnalité et application des œillets de bannière

Les œillets de bannière sont utilisés partout. Les bannières de magasin ont besoin d’œillets pour être suspendues. Les bannières d'événements utilisent des œillets de bannière pour les poteaux. Les banderoles de rue comportent des œillets pour les cordes. Les bannières sportives ont besoin d’œillets pour les stades. Les bannières du festival utilisent également des œillets de bannière. Même les panneaux intérieurs ont parfois besoin d’œillets pour bannière. Ces œillets de bannière aident les bannières à durer plus longtemps et à paraître soignées. C'est pourquoi de bons œillets de bannière sont importants pour la publicité. Nos clients font confiance à nos œillets pour bannières pour leurs banderoles. Ils savent que nos œillets de bannière fonctionnent bien par tous les temps.


Détails de production des œillets de bannière

Oeillets de bannière Informations sur l'emballage

FAQ :

Q1 : Quel est votre MOQ pour les œillets de bannière ?

Le MOQ pour les rivets est de 20 000 pièces.


Q2 : Pouvez-vous personnaliser la fabrication avec notre dessin ?

Oui, la plupart de nos rivets tubulaires sont fabriqués sur mesure avec le dessin du client.


Q3 : Pourriez-vous fournir des échantillons gratuits des rivets creux ?

Nous pouvons fournir des échantillons gratuits pour la taille que nous avons en stock, mais les clients paieront les frais Express.


Q4 : Quel est votre délai de livraison ?

Taille des rivets en stock : 3-5 jours, rivets non standard : 15-25 jours. Nous effectuerons la livraison dans les plus brefs délais avec la garantie de qualité.


Q5 : La qualité de vos produits ?

La société dispose d'équipements de production et de test avancés. Chaque produit sera inspecté à 100 % par notre département QC avant expédition.


Q6 : Pourquoi choisissons-nous la technologie Nuote ?

1. Nous respectons les conditions du client pour protéger les projets de confidentialité des clients.

2. Haute qualité à prix attractif

3. Délai de livraison rapide

4. Bonne affaire et honnêteté envers le client et le partenaire

5. L'annonce de vente professionnelle répond à votre demande dans les 8 heures.

6. Les produits et services de Nuote sont vendus dans plus de 70 pays avec une bonne réputation


Balises actives: Oeillets de bannière, Oeillets de bannière en Chine, Fabricant d'oeillets de bannière
Catégorie associée
envoyer une demande
N'hésitez pas à faire votre demande dans le formulaire ci-dessous. Nous vous répondrons dans les 24 heures.
X
Nous utilisons des cookies pour vous offrir une meilleure expérience de navigation, analyser le trafic du site et personnaliser le contenu. En utilisant ce site, vous acceptez notre utilisation des cookies. politique de confidentialité