Oeillets en acier
  • Oeillets en acier Oeillets en acier

Oeillets en acier

Nuote Metals est un fabricant professionnel d'œillets en acier en Chine, nous avons plus de 10 ans d'expérience professionnelle, les œillets en acier sont fabriqués en tôle d'acier par des techniques d'emboutissage profond, ils sont connus pour leur résistance et leur durabilité.

envoyer une demande

Description du produit

Introduction des œillets en acier


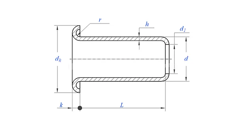
Les œillets sont de petites attaches de forme cylindrique utilisées pour renforcer les trous dans les matériaux. Ils se composent d'une section cylindrique avec une bride à une extrémité. Les œillets en acier sont souvent utilisés dans les applications lourdes de l'industrie de la chaussure, telles que les bottes de travail, les chaussures militaires, les chaussures de sécurité, etc.


Steel eyelets


Exposition d'application d'oeillets en acier :


Steel eyelets



Paramètre de produit (spécification)


Matériel

acier

Traitement de surface

Propre, zingage, nickelage, placage d'argent, comme demandé

Certificat

Conforme RoHS

Diamètre de la tige

0,8-10 mm

Tolérance

+/-0,05mm

Application

 Convient pour une utilisation dans diverses industries, notammentautomobile, aérospatiale, électrique et électronique,  etc.

Contrôle de qualité

Une inspection à 100 % de toute la gamme tout au long de la production garantit que chaque produit répond à la norme ISO, garantissant ainsi des produits de haute qualité.




Caractéristique du produit et application


les œillets en acier sont plus petits que les rivets et sont utilisés dans les applications où une solution de fixation temporaire est nécessaire. Ils sont composés d'un anneau métallique creux qui est inséré dans un trou du matériau puis serti pour le maintenir en place. Les œillets peuvent être trouvés dans diverses applications, telles que la maroquinerie, les textiles et la papeterie.


œillets en acier Détails de production


Steel eyelets


Informations sur l'emballage


Steel eyelets


FAQ :


Q1 : Quel est votre MOQ pour les œillets en acier ?

Le MOQ pour les rivets est de 20 000 pièces.


Q2 : Pouvez-vous personnaliser la fabrication avec notre dessin ?

Oui, la plupart de nos œillets sont fabriqués sur mesure avec le dessin du client.


Q3 : Pourriez-vous fournir des échantillons gratuits des rivets à œillets ?

Nous pouvons fournir des échantillons gratuits pour la taille que nous avons en stock, mais les clients paieront les frais Express.


Q4 : Quel est votre délai de livraison ?

Taille des rivets en stock : 3-5 jours, rivets non standard : 15-25 jours. Nous effectuerons la livraison dans les plus brefs délais avec la garantie de qualité.


Q5 : La qualité de vos produits ?

La société dispose d'équipements de production et de test avancés. Chaque produit sera inspecté à 100 % par notre département QC avant expédition.


Q6 : Pourquoi choisissons-nous la technologie Nuote ?

1. Nous respectons les conditions du client pour protéger les projets de confidentialité des clients.

2. Haute qualité à prix attractif

3. Délai de livraison rapide

4. Bonne affaire et honnêteté envers le client et le partenaire

5. L'annonce de vente professionnelle répond à votre demande dans les 8 heures.

Les produits et services 6.Nuote sont vendus dans plus de 70 pays avec une bonne réputation




Balises actives: Oeillets en acier
Catégorie associée
envoyer une demande
N'hésitez pas à faire votre demande dans le formulaire ci-dessous. Nous vous répondrons dans les 24 heures.
X
Nous utilisons des cookies pour vous offrir une meilleure expérience de navigation, analyser le trafic du site et personnaliser le contenu. En utilisant ce site, vous acceptez notre utilisation des cookies. politique de confidentialité