Oeillet en acier

Oeillet en acier

Bonjour de Dongguan, Chine. Nous sommes Nuote Metals. Nous fabriquons ici des œillets en acier solides. Notre usine produit chaque jour des œillets en acier. Nous utilisons un bon matériau en acier. Cet acier est épais et durable. Nous fabriquons des œillets en acier dans de nombreuses tailles. Certains sont petits. Certains sont très gros. Chaque œillet en acier est vérifié par notre équipe. Ils examinent chaque pièce avec attention. De nombreux clients achètent encore et encore nos œillets en acier. Ils aiment notre qualité. Ils font confiance à nos produits. Nous travaillons dur pour fabriquer de bons œillets en acier pour tout le monde.

envoyer une demande

Description du produit

Introduction des œillets en acier

Un œillet en acier est un simple anneau métallique. Il pénètre dans les trous du tissu ou du cuir. L'œillet en acier rend le trou solide. Lorsque vous passez la corde à travers, le trou ne se déchire pas. Les œillets en acier fonctionnent bien à l'extérieur. Ils ne rouillent pas facilement. La pluie et le soleil ne les endommagent pas beaucoup. Pour mettre un passe-fil en acier, vous avez besoin d'une machine. La machine enfonce l'œillet en acier dans le matériau. Ensuite, il y reste longtemps. Cela ne se détache pas. C'est ainsi que les œillets en acier contribuent à faire durer les choses.



Paramètre des œillets en acier (spécification)



Matériel acier
Traitement de surface Propre, zingage, nickelage, placage d'argent, comme demandé
Certificat Conforme RoHS
Diamètre de la tige 0,8-10 mm
Tolérance +/-0,05mm
Application Convient pour une utilisation dans diverses industries, notamment l'automobile, l'aérospatiale, l'électricité et l'électronique, etc.
Contrôle de qualité Une inspection à 100 % de toute la gamme tout au long de la production garantit que chaque produit répond à la norme ISO, garantissant ainsi des produits de haute qualité.




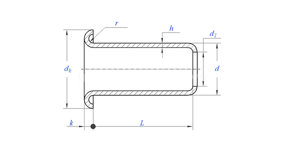
Dessin d'œillet en acier comme ci-dessous :


Caractéristique et application des œillets en acier

Les œillets en acier sont utilisés à de nombreux endroits. Les couvertures de camion utilisent des œillets en acier pour l'arrimage. Les tentes ont besoin d'œillets en acier pour leurs cordes. Les sacs ont des œillets en acier pour leurs poignées. Certaines chaussures utilisent des œillets en acier pour les lacets. Les vêtements de travail ont également des œillets en acier. Les panneaux extérieurs utilisent souvent des œillets en acier pour être suspendus. Même les bateaux utilisent des œillets en acier pour leurs couvertures. Les œillets en acier sont partout. Ils aident à garder les choses ensemble. et rendre les choses solides et sûres. Nos clients choisissent nos œillets en acier parce qu'ils fonctionnent bien. Ils savent que nos œillets en acier ne les laisseront pas tomber. Nous sommes fiers de fabriquer des produits aussi utiles ici à Dongguan.


Détails des œillets en acier

Informations sur l'emballage des œillets en acier

FAQ :

Q1 : Quel est votre MOQ pour l’œillet en acier ?

Le MOQ pour les rivets est de 20 000 pièces.


Q2 : Pouvez-vous personnaliser la fabrication avec notre dessin ?

Oui, la plupart de nos rivets tubulaires sont fabriqués sur mesure avec le dessin du client.


Q3 : Pourriez-vous fournir des échantillons gratuits des rivets creux ?

Nous pouvons fournir des échantillons gratuits pour la taille que nous avons en stock, mais les clients paieront les frais Express.


Q4 : Quel est votre délai de livraison ?

Taille des rivets en stock : 3-5 jours, rivets non standard : 15-25 jours. Nous effectuerons la livraison dans les plus brefs délais avec la garantie de qualité.


Q5 : La qualité de vos produits ?

La société dispose d'équipements de production et de test avancés. Chaque produit sera inspecté à 100 % par notre département QC avant expédition.


Q6 : Pourquoi choisissons-nous la technologie Nuote ?

1. Nous respectons les conditions du client pour protéger les projets de confidentialité des clients.

2. Haute qualité à prix attractif

3. Délai de livraison rapide

4. Bonne affaire et honnêteté envers le client et le partenaire

5. L'annonce de vente professionnelle répond à votre demande dans les 8 heures.

6. Les produits et services de Nuote sont vendus dans plus de 70 pays avec une bonne réputation

Balises actives: Oeillet en acier, oeillet en acier de Chine, fabricant d'oeillets en acier
Catégorie associée
envoyer une demande
N'hésitez pas à faire votre demande dans le formulaire ci-dessous. Nous vous répondrons dans les 24 heures.
X
Nous utilisons des cookies pour vous offrir une meilleure expérience de navigation, analyser le trafic du site et personnaliser le contenu. En utilisant ce site, vous acceptez notre utilisation des cookies. politique de confidentialité