Oeillets en laiton
  • Oeillets en laiton Oeillets en laiton

Oeillets en laiton

Nuote Metals fabrique des œillets en laiton depuis plus de 10 ans, nous sommes situés à Dongguan, en Chine. Les œillets en laiton sont fabriqués en laiton, ce qui les rend suffisamment robustes, légers et durables pour résister à l'usure régulière sans rouiller du tout. Nous pouvons fabriquer un nouvel outil pour œillets dans un délai de 10 jours pour une préparation rapide des échantillons.

envoyer une demande

Description du produit

Introduction des œillets en laiton


Les œillets en laiton résistent à la corrosion. Ils peuvent être utilisés à des fins ornementales et fonctionnelles pour ajouter de la visibilité selon l'endroit où ils sont utilisés. Le rôle principal des œillets en laiton est de renforcer les trous et de protéger les matériaux de l'usure causée par les bords rugueux de ces trous.


œillets en laiton


brass eyelets

Application des œillets en laiton :



brass eyelets

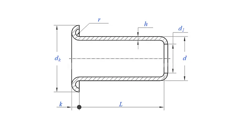
Paramètre de produit (spécification)


Matériel

Laiton

Traitement de surface

Propre, zingage, nickelage, placage d'argent, comme demandé

Certificat

Conforme RoHS

Diamètre de la tige

0,8-10 mm

Tolérance

+/-0,05mm

Application

 Convient pour une utilisation dans diverses industries, notammentautomobile, aérospatiale, électrique et électronique,  etc.

Contrôle de qualité

Une inspection à 100 % de toute la gamme tout au long de la production garantit que chaque produit répond à la norme ISO, garantissant ainsi des produits de haute qualité.



Caractéristique du produit et application


Les œillets en laiton sont faciles à utiliser, ont une conception solide et sont fabriqués à partir de laiton de haute qualité. Comme leur poids est léger, ils sont beaucoup moins chers que les autres fixations. Le laiton offre une résistance à la corrosion, une durabilité, une formabilité et une esthétique plus élevées que le cuivre pur. Les œillets en laiton sont souvent utilisés dans les textiles, les tôles et divers matériaux fibreux.


œillets en laiton Détails de production


brass eyelets

Informations sur l'emballage


brass eyelets


FAQ :


Q1 : Quel est votre MOQ pour les œillets en laiton ?

Le MOQ pour les rivets est de 20 000 pièces.


Q2 : Pouvez-vous personnaliser la fabrication avec notre dessin ?

Oui, la plupart de nos rivets tubulaires sont fabriqués sur mesure avec le dessin du client.


Q3 : Pourriez-vous fournir des échantillons gratuits des rivets creux ?

Nous pouvons fournir des échantillons gratuits pour la taille que nous avons en stock, mais les clients paieront les frais Express.


Q4 : Quel est votre délai de livraison ?

Taille des rivets en stock : 3-5 jours, rivets non standard : 15-25 jours. Nous effectuerons la livraison dans les plus brefs délais avec la garantie de qualité.


Q5 : La qualité de vos produits ?

La société dispose d'équipements de production et de test avancés. Chaque produit sera inspecté à 100 % par notre département QC avant expédition.


Q6 : Pourquoi choisissons-nous la technologie Nuote ?

1. Nous respectons les conditions du client pour protéger les projets de confidentialité des clients.

2. Haute qualité à prix attractif

3. Délai de livraison rapide

4. Bonne affaire et honnêteté envers le client et le partenaire

5. L'annonce de vente professionnelle répond à votre demande dans les 8 heures.

Les produits et services 6.Nuote sont vendus dans plus de 70 pays avec une bonne réputation




Balises actives: Oeillets en laiton
Catégorie associée
envoyer une demande
N'hésitez pas à faire votre demande dans le formulaire ci-dessous. Nous vous répondrons dans les 24 heures.
X
Nous utilisons des cookies pour vous offrir une meilleure expérience de navigation, analyser le trafic du site et personnaliser le contenu. En utilisant ce site, vous acceptez notre utilisation des cookies. politique de confidentialité