Oeillets en acier inoxydable

Oeillets en acier inoxydable

Nous sommes Nuote Metals de Dongguan en Chine. Notre usine fabrique des œillets en acier inoxydable de qualité pour différentes industries. Nous produisons des œillets en acier inoxydable depuis de nombreuses années. Nous utilisons un bon matériau en acier inoxydable. Ce matériau rend nos œillets en acier inoxydable solides et antirouille. Nous fabriquons des œillets en acier inoxydable dans de nombreuses tailles. Certains sont petits pour l'électronique. Certains sont grands pour les produits d'extérieur. Chaque œillet en acier inoxydable est vérifié par nos ouvriers. Ils examinent chaque pièce avec attention. De nombreux clients choisissent nos œillets en acier inoxydable car ils fonctionnent bien et durent longtemps. Nous pouvons réaliser des échantillons rapidement pour de nouveaux projets.

envoyer une demande

Description du produit

Introduction aux œillets en acier inoxydable

Les œillets en acier inoxydable sont des anneaux métalliques en acier inoxydable. Ils sont utilisés pour renforcer les trous dans les matériaux. Les œillets en acier inoxydable protègent les trous des dommages. Ils conservent leur forme même lorsqu'ils sont fortement tirés. Ces œillets en acier inoxydable ne rouillent pas dans des conditions humides. Ils restent brillants et solides pendant des années. La mise en place d'œillets en acier inoxydable nécessite une machine spéciale. La machine enfonce l'œillet en acier inoxydable dans le matériau. Une fois installé, il reste fermement en place. Cela rend les produits meilleurs et plus durables.



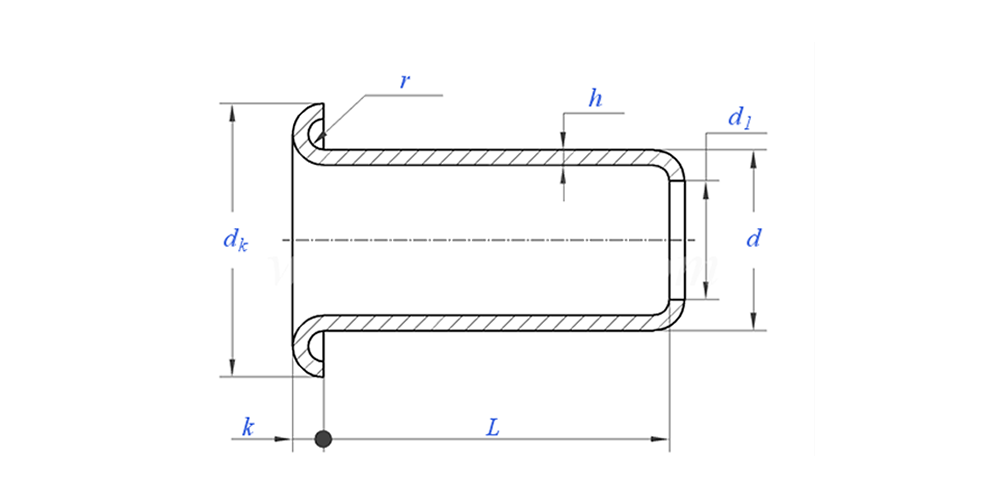
Paramètre des œillets en acier inoxydable (spécification)



Matériel acier inoxydable
Traitement de surface Propre, zingage, nickelage, placage d'argent, comme demandé
Certificat Conforme RoHS
Diamètre de la tige 0,8-10 mm
Tolérance +/-0,05mm
Application Convient pour une utilisation dans diverses industries, notamment l'automobile, l'aérospatiale, l'électricité et l'électronique, etc.
Contrôle de qualité Une inspection à 100 % de toute la gamme tout au long de la production garantit que chaque produit répond à la norme ISO, garantissant ainsi des produits de haute qualité.


Oeillets en acier inoxydable dessin comme ci-dessous :

Spectacle d'application :


Caractéristique et application des œillets en acier inoxydable

Les œillets en acier inoxydable ont de nombreuses utilisations. Les chaussures et les bottes ont besoin d'œillets en acier inoxydable pour les lacets. Les équipements d'extérieur utilisent des œillets en acier inoxydable pour les cordes et les cordons. Les sacs et bagages ont besoin d’œillets en acier inoxydable pour les sangles. Les tentes et les bâches nécessitent des œillets en acier inoxydable pour l'arrimage. L'électronique utilise parfois de petits œillets en acier inoxydable pour les fils. Les équipements marins ont besoin d’œillets en acier inoxydable car ils résistent à l’eau salée. Ces œillets en acier inoxydable rendent les produits fiables et durables. Nos clients font confiance à nos œillets en acier inoxydable pour leurs produits importants. Ils savent que nos œillets en acier inoxydable fonctionneront bien dans toutes les conditions.


Informations sur l'emballage

Détails de production des œillets en acier inoxydable


FAQ :

Q1 : Quel est votre MOQ pour les œillets en acier inoxydable ?

Le MOQ pour les rivets est de 20 000 pièces.


Q2 : Pouvez-vous personnaliser la fabrication avec notre dessin ?

Oui, la plupart de nos rivets tubulaires sont fabriqués sur mesure avec le dessin du client.


Q3 : Pourriez-vous fournir des échantillons gratuits des rivets creux ?

Nous pouvons fournir des échantillons gratuits pour la taille que nous avons en stock, mais les clients paieront les frais Express.


Q4 : Quel est votre délai de livraison ?

Taille des rivets en stock : 3-5 jours, rivets non standard : 15-25 jours. Nous effectuerons la livraison dans les plus brefs délais avec la garantie de qualité.


Q5 : La qualité de vos produits ?

La société dispose d'équipements de production et de test avancés. Chaque produit sera inspecté à 100 % par notre département QC avant expédition.


Q6 : Pourquoi choisissons-nous la technologie Nuote ?

1. Nous respectons les conditions du client pour protéger les projets de confidentialité des clients.

2. Haute qualité à prix attractif

3. Délai de livraison rapide

4. Bonne affaire et honnêteté envers le client et le partenaire

5. L'annonce de vente professionnelle répond à votre demande dans les 8 heures.

Les produits et services 6.Nuote sont vendus dans plus de 70 pays avec une bonne réputation


Balises actives: Oeillets en acier inoxydable, fabricant d'oeillets en acier inoxydable, oeillets en acier inoxydable de Chine
Catégorie associée
envoyer une demande
N'hésitez pas à faire votre demande dans le formulaire ci-dessous. Nous vous répondrons dans les 24 heures.
X
Nous utilisons des cookies pour vous offrir une meilleure expérience de navigation, analyser le trafic du site et personnaliser le contenu. En utilisant ce site, vous acceptez notre utilisation des cookies. politique de confidentialité