Œillets en acier inoxydable 316

Œillets en acier inoxydable 316

Dans notre usine de Dongguan, Nuote Metals fabrique des œillets durables en acier inoxydable 316. Ce matériau est particulier car il résiste très bien à la rouille. Nous produisons depuis de nombreuses années des œillets en acier inoxydable 316. Ces œillets sont solides et peuvent durer longtemps. Nous les fabriquons en différentes tailles. Certains sont petits pour les produits délicats. Certains sont grands pour un usage intensif. Chaque œillet en inox 316 est vérifié par notre équipe. Ils garantissent que chaque pièce est lisse et propre. De nombreux clients choisissent nos œillets en acier inoxydable 316. Ils font confiance à la qualité et à la durabilité. Nous pouvons fournir des échantillons dans quelques jours.

envoyer une demande

Description du produit

Présentation des œillets en acier inoxydable 316

Les œillets en acier inoxydable 316 sont fabriqués à partir d'un acier de haute qualité. Cet acier contient du molybdène. Cela permet aux œillets en acier inoxydable 316 de mieux résister à la corrosion. Ils ne rouillent pas dans l’eau salée ou dans l’air humide. Ces œillets sont également résistants sous pression. Ils ne se plient pas et ne se cassent pas facilement. Pour produire les oeillets en inox 316, nous utilisons des machines précises. Les machines coupent et façonnent l’acier en anneaux parfaits. Ensuite, nous polissons chaque œillet en acier inoxydable 316. Cela leur donne une belle finition et des bords lisses.


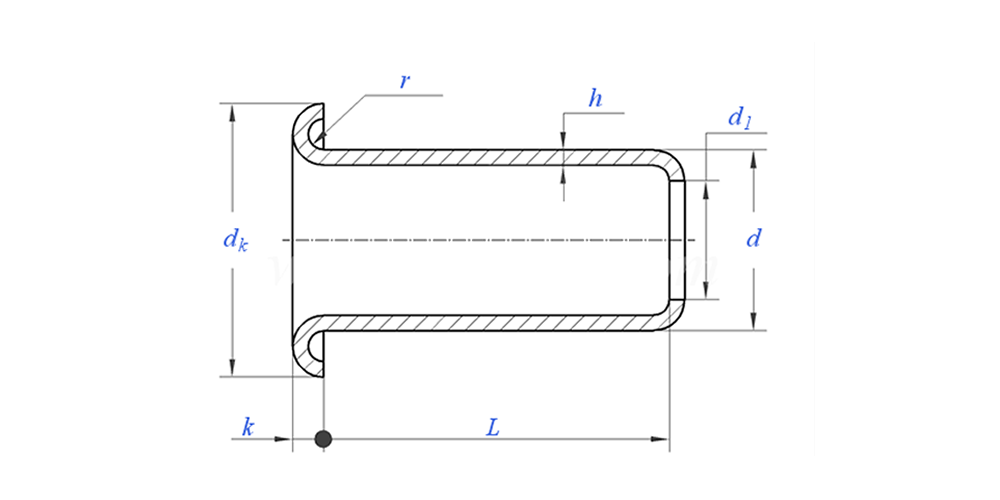
Œillets en acier inoxydable 316 dessinés comme ci-dessous :

Paramètre des œillets en acier inoxydable 316 (spécification)



Matériel acier inoxydable
Traitement de surface Propre, zingage, nickelage, placage d'argent, comme demandé
Certificat Conforme RoHS
Diamètre de la tige 0,8-10 mm
Tolérance +/-0,05mm
Application Convient pour une utilisation dans diverses industries, notamment l'automobile, l'aérospatiale, l'électricité et l'électronique, etc.
Contrôle de qualité Une inspection à 100 % de toute la gamme tout au long de la production garantit que chaque produit répond à la norme ISO, garantissant ainsi des produits de haute qualité.


Caractéristiques et applications des œillets en acier inoxydable 316

Les œillets en acier inoxydable 316 sont utilisés dans des environnements difficiles. Les bateaux et les équipements marins les utilisent à cause de l’eau salée. Les luminaires extérieurs les utilisent par tous les temps. Les usines chimiques en ont parfois besoin en raison de leur résistance. Les équipements de transformation des aliments peuvent également les utiliser. Les équipements d'extérieur de haute qualité ont besoin de ces œillets. Même les projets architecturaux utilisent des œillets en acier inoxydable 316 pour la décoration et la fonctionnalité. Ils sont choisis là où les œillets ordinaires rouilleraient. Nos clients comptent sur nos œillets en acier inoxydable 316 pour des applications importantes. Ils savent que ces œillets fonctionneront bien et auront fière allure pendant des années. Nous sommes fiers de fabriquer des produits aussi fiables ici à Dongguan.


Détails des œillets en acier inoxydable 316


FAQ :

Q1 : Quel est votre MOQ pour les œillets en acier inoxydable 316 ?

Le MOQ pour les rivets est de 20 000 pièces.


Q2 : Pouvez-vous personnaliser la fabrication avec notre dessin ?

Oui, la plupart de nos rivets tubulaires sont fabriqués sur mesure avec le dessin du client.


Q3 : Pourriez-vous fournir des échantillons gratuits des rivets creux ?

Nous pouvons fournir des échantillons gratuits pour la taille que nous avons en stock, mais les clients paieront les frais Express.


Q4 : Quel est votre délai de livraison ?

Taille des rivets en stock : 3-5 jours, rivets non standard : 15-25 jours. Nous effectuerons la livraison dans les plus brefs délais avec la garantie de qualité.


Q5 : La qualité de vos produits ?

La société dispose d'équipements de production et de test avancés. Chaque produit sera inspecté à 100 % par notre département QC avant expédition.


Q6 : Pourquoi choisissons-nous la technologie Nuote ?

1. Nous respectons les conditions du client pour protéger les projets de confidentialité des clients.

2. Haute qualité à prix attractif

3. Délai de livraison rapide

4. Bonne affaire et honnêteté envers le client et le partenaire

5. L'annonce de vente professionnelle répond à votre demande dans les 8 heures.

6. Les produits et services de Nuote sont vendus dans plus de 70 pays avec une bonne réputation

Balises actives: Œillets en acier inoxydable 316, œillets SUS316L, œillets en acier inoxydable de Chine
Catégorie associée
envoyer une demande
N'hésitez pas à faire votre demande dans le formulaire ci-dessous. Nous vous répondrons dans les 24 heures.
X
Nous utilisons des cookies pour vous offrir une meilleure expérience de navigation, analyser le trafic du site et personnaliser le contenu. En utilisant ce site, vous acceptez notre utilisation des cookies. politique de confidentialité