Oeillets en métal

Oeillets en métal

Vous avez probablement déjà vu des œillets métalliques à plusieurs reprises sans même vous en rendre compte. Ce sont ces petits anneaux métalliques qui renforcent les trous dans toutes sortes de produits. Un œillet en métal peut paraître simple, mais il est conçu pour résoudre un problème courant : empêcher les trous de se déchirer ou de s'user. Que ce soit dans vos chaussures ou dans votre sac à dos, ce petit composant travaille dur pour que les choses durent plus longtemps.

envoyer une demande

Description du produit

Introduction de l'œillet métallique

Mettre un œillet métallique est assez simple. Vous placez la pièce principale à travers le matériau, puis appuyez sur la rondelle au dos. Des outils spéciaux peuvent le faire rapidement, mais même des outils simples fonctionnent correctement. Ce qui est génial avec un œillet en métal, c'est la façon dont il protège le matériau autour du trou de l'usure, gardant le tout propre et solide.


Exposition d'application d'oeillet en métal :

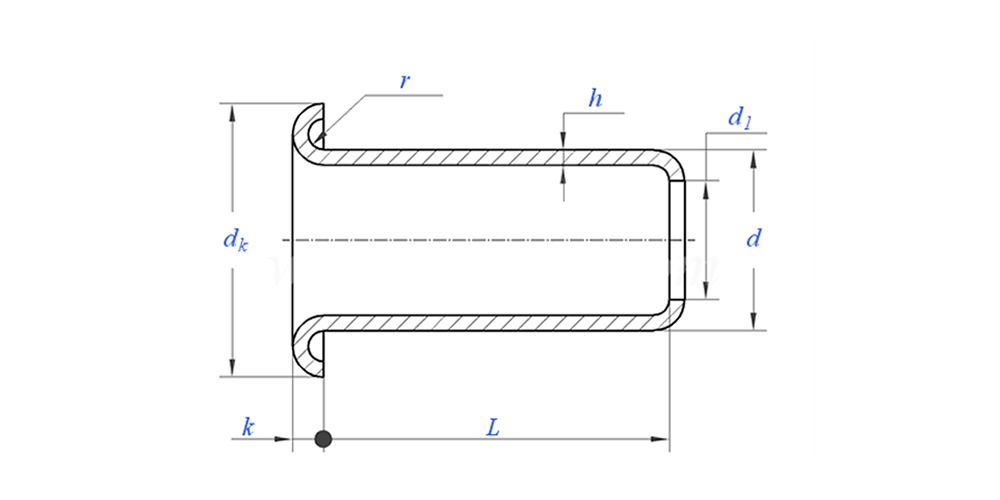
dessin d'oeillet en métal comme ci-dessous :


Paramètre des œillets métalliques (spécifications)



Matériel Laiton, acier, aluminium, acier inoxydable, cuivre
Traitement de surface Propre, zingage, nickelage, placage d'argent, comme demandé
Certificat Conforme RoHS
Diamètre de la tige 0,8-10 mm
Tolérance +/-0,05mm
Application Convient pour une utilisation dans diverses industries, notamment l'automobile, l'aérospatiale, l'électricité et l'électronique, etc.
Contrôle de qualité Une inspection à 100 % de toute la gamme tout au long de la production garantit que chaque produit répond à la norme ISO, garantissant ainsi des produits de haute qualité.



Caractéristique et application des œillets métalliques

Vous seriez surpris du nombre d'endroits où vous pouvez trouver des œillets métalliques qui fonctionnent dur. C'est grâce à eux que les trous de vos lacets de chaussures ne se déchirent pas après une utilisation répétée. Dans les équipements de plein air comme les tentes et les voiles, les œillets métalliques résistent sans problème aux conditions météorologiques difficiles. Ils sont également essentiels dans les environnements industriels, car ils aident à organiser les câbles et les fils. Partout où il y a un trou à protéger, vous trouverez probablement un œillet métallique qui fait son travail.


Détails de production d'oeillets métalliques

Informations sur l'emballage

FAQ :

Q1 : Quel est votre MOQ pour l’œillet métallique ?

Le MOQ pour les rivets est de 20 000 pièces.


Q2 : Pouvez-vous personnaliser la fabrication avec notre dessin ?

Oui, la plupart de nos rivets tubulaires sont fabriqués sur mesure avec le dessin du client.


Q3 : Pourriez-vous fournir des échantillons gratuits des rivets creux ?

Nous pouvons fournir des échantillons gratuits pour la taille que nous avons en stock, mais les clients paieront les frais Express.


Q4 : Quel est votre délai de livraison ?

Taille des rivets en stock : 3-5 jours, rivets non standard : 15-25 jours. Nous effectuerons la livraison dans les plus brefs délais avec la garantie de qualité.


Q5 : La qualité de vos produits ?

La société dispose d'équipements de production et de test avancés. Chaque produit sera inspecté à 100 % par notre département QC avant expédition.


Q6 : Pourquoi choisissons-nous la technologie Nuote ?

1. Nous respectons les conditions du client pour protéger les projets de confidentialité des clients.

2. Haute qualité à prix attractif

3. Délai de livraison rapide

4. Bonne affaire et honnêteté envers le client et le partenaire

5. L'annonce de vente professionnelle répond à votre demande dans les 8 heures.

Les produits et services 6.Nuote sont vendus dans plus de 70 pays avec une bonne réputation


Balises actives: Oeillets métalliques, oeillets métalliques de Chine, usine d'oeillets métalliques
Catégorie associée
envoyer une demande
N'hésitez pas à faire votre demande dans le formulaire ci-dessous. Nous vous répondrons dans les 24 heures.
X
Nous utilisons des cookies pour vous offrir une meilleure expérience de navigation, analyser le trafic du site et personnaliser le contenu. En utilisant ce site, vous acceptez notre utilisation des cookies. politique de confidentialité