Oeillet Et Rondelle

Oeillet Et Rondelle

Vous pouvez trouver un œillet et une rondelle dans de nombreux objets du quotidien. Ce sont de petites pièces métalliques. L'œillet ressemble à un petit anneau et la rondelle est un disque plat. Ils sont pressés ensemble pour créer un trou solide et lisse dans des matériaux comme le tissu ou le plastique. Cela empêche le matériau de se déchirer. En Chine, Nuote Metals fabrique ces pièces petites mais utiles. nous produisons de nombreux types d'œillets et de rondelles pour différents travaux.

envoyer une demande

Description du produit

Introduction de l'oeillet et de la rondelle

Ce qui rend un œillet et une rondelle si utiles, c'est leur simplicité. Vous passez l'œillet dans un trou dans le tissu. Ensuite, vous placez la rondelle à l'arrière. Une machine appuie dessus, serrant les morceaux ensemble. Cela verrouille étroitement le matériau entre les deux. Le résultat est un trou propre et solide qui ne s’use pas facilement. Grâce à cette conception simple, l'œillet et la rondelle constituent une solution très fiable.


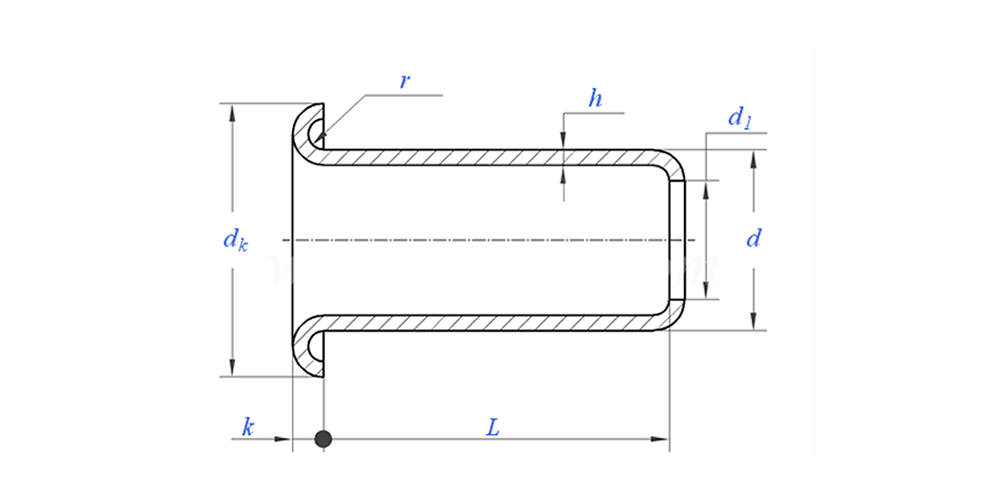
dessin de l'œillet et de la rondelle comme ci-dessous :

Application des œillets et des rondelles :

Paramètre d'oeillet et de rondelle (spécification)

Matériel Laiton
Traitement de surface Propre, zingage, nickelage, placage d'argent, comme demandé
Type de tête Rivets pleins à tête ronde
Certificat Conforme RoHS
Diamètre de la tige 0,8-8 mm
Tolérance +/-0,05mm
Application Convient pour une utilisation dans diverses industries, notamment l'automobile, l'aérospatiale, l'électricité et l'électronique, etc.
Contrôle de qualité Une inspection à 100 % de toute la gamme tout au long de la production garantit que chaque produit répond à la norme ISO, garantissant ainsi des produits de haute qualité.




Caractéristique et application des œillets et des rondelles

Un bon exemple d’endroit où vous voyez un œillet et une rondelle est sur un bidon d’huile. De nombreux bidons d'huile ont un petit bec en métal pour verser. Ce bec est très utilisé et pourrait facilement se déchirer. Mais si vous regardez bien, vous apercevrez souvent un petit anneau métallique renforçant l’ouverture. C'est l'œillet et la rondelle au travail. Cela rend le bec verseur solide et empêche les fuites, de sorte que le bidon d'huile dure longtemps. C'est une utilisation parfaite pour cette simple paire de pièces.


oeillet et rondelle Détails de production

Informations sur l'emballage

FAQ :

Q1 : Quel est votre MOQ pour l’œillet et la rondelle ?

Le MOQ pour les rivets est de 20 000 pièces.


Q2 : Pouvez-vous personnaliser la fabrication avec notre dessin ?

Oui, la plupart de nos rivets tubulaires sont fabriqués sur mesure avec le dessin du client.


Q3 : Pourriez-vous fournir des échantillons gratuits des rivets creux ?

Nous pouvons fournir des échantillons gratuits pour la taille que nous avons en stock, mais les clients paieront les frais Express.


Q4 : Quel est votre délai de livraison ?

Taille des rivets en stock : 3-5 jours, rivets non standard : 15-25 jours. Nous effectuerons la livraison dans les plus brefs délais avec la garantie de qualité.


Q5 : La qualité de vos produits ?

La société dispose d'équipements de production et de test avancés. Chaque produit sera inspecté à 100 % par notre département QC avant expédition.


Q6 : Pourquoi choisissons-nous la technologie Nuote ?

1. Nous respectons les conditions du client pour protéger les projets de confidentialité des clients.

2. Haute qualité à prix attractif

3. Délai de livraison rapide

4. Bonne affaire et honnêteté envers le client et le partenaire

5. L'annonce de vente professionnelle répond à votre demande dans les 8 heures.

Les produits et services 6.Nuote sont vendus dans plus de 70 pays avec une bonne réputation


Balises actives: Oeillet et rondelle, Oeillet et rondelle en Chine, Fabricant d'oeillets et de rondelles
Catégorie associée
envoyer une demande
N'hésitez pas à faire votre demande dans le formulaire ci-dessous. Nous vous répondrons dans les 24 heures.
X
Nous utilisons des cookies pour vous offrir une meilleure expérience de navigation, analyser le trafic du site et personnaliser le contenu. En utilisant ce site, vous acceptez notre utilisation des cookies. politique de confidentialité