Oeillets en aluminium

Oeillets en aluminium

Ici, dans notre usine de Dongguan, Nuote Metals produit des œillets en aluminium de qualité. Nous nous concentrons sur la fabrication d’œillets en aluminium depuis de nombreuses années. Notre aluminium est soigneusement sélectionné pour être à la fois léger et résistant. Ces œillets en aluminium ne rouillent pas et conservent leur finition brillante. Nous proposons des œillets en aluminium de différentes tailles. Certains sont minuscules, d’autres assez grands. Chaque œillet en aluminium est examiné par notre personnel. Ils vérifient la forme et la surface. Les clients choisissent souvent nos œillets en aluminium. Ils les trouvent fiables et beaux. Nous fournissons des échantillons rapides à ceux qui souhaitent les essayer.

envoyer une demande

Description du produit

Introduction

Un œillet en aluminium est un petit anneau en aluminium. Il aide à renforcer les trous dans le tissu ou d'autres matériaux. Les œillets en aluminium sont plus légers que la plupart des œillets en métal. Cela les rend faciles à manipuler et à expédier. Ils protègent les bords des trous de l’usure. Lorsque les lacets ou les cordons sont tirés, le matériau reste intact. Les œillets en aluminium résistent à l'eau et ne se corrodent pas. Leur finition reste brillante dans le temps. Un simple outil de pressage est utilisé pour poser les œillets en aluminium. Une fois pressés, ils restent bien en place et ne se desserrent pas.


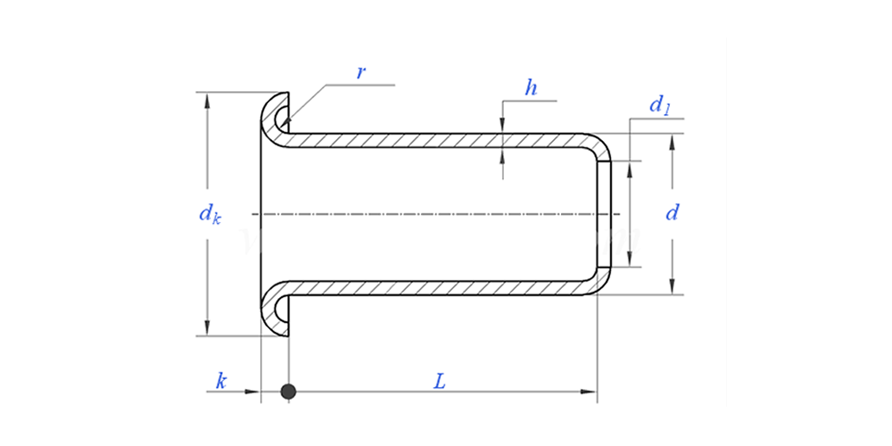
Paramètre des œillets en aluminium (spécification)



Matériel Aluminium
Traitement de surface Propre, zingage, nickelage, placage d'argent, comme demandé
Certificat Conforme RoHS
Diamètre de la tige 0,8-10 mm
Tolérance +/-0,05mm
Application Convient pour une utilisation dans diverses industries, notamment le tissu, les tentes, la toile, etc.
Contrôle de qualité Une inspection à 100 % de toute la gamme tout au long de la production garantit que chaque produit répond à la norme ISO, garantissant ainsi des produits de haute qualité.



oeillets en aluminium dessin comme ci-dessous :

Spectacle d'application :


Caractéristique et application des œillets en aluminium

Les œillets en aluminium ont de nombreuses utilisations au quotidien. On les retrouve dans les baskets et les bottes légères à lacets. Les vestes de pluie et les coupe-vent les utilisent comme cordons de capuche. Les sacs fourre-tout et les sacs à dos comportent souvent des œillets en aluminium. Les tentes de camping et les bâches peuvent les inclure pour les haubans. Les équipements de sport comme les drapeaux et les fanions utilisent également des œillets en aluminium. Certaines coques et housses de protection en dépendent également. Ces œillets en aluminium aident à garder les produits fonctionnels et soignés. Nos clients choisissent nos œillets en aluminium car ils sont légers et inoxydables. Nous sommes fiers de fabriquer des œillets en aluminium durables ici même à Dongguan.


œillets en aluminium Détails de production

Informations sur l'emballage

FAQ :

Q1 : Quel est votre MOQ pour les œillets en aluminium ?

Le MOQ pour les rivets est de 20 000 pièces.


Q2 : Pouvez-vous personnaliser la fabrication avec notre dessin ?

Oui, la plupart de nos rivets tubulaires sont fabriqués sur mesure avec le dessin du client.


Q3 : Pourriez-vous fournir des échantillons gratuits des rivets creux ?

Nous pouvons fournir des échantillons gratuits pour la taille que nous avons en stock, mais les clients paieront les frais Express.


Q4 : Quel est votre délai de livraison ?

Taille des rivets en stock : 3-5 jours, rivets non standard : 15-25 jours. Nous effectuerons la livraison dans les plus brefs délais avec la garantie de qualité.


Q5 : La qualité de vos produits ?

La société dispose d'équipements de production et de test avancés. Chaque produit sera inspecté à 100 % par notre département QC avant expédition.


Q6 : Pourquoi choisissons-nous la technologie Nuote ?

1. Nous respectons les conditions du client pour protéger les projets de confidentialité des clients.

2. Haute qualité à prix attractif

3. Délai de livraison rapide

4. Bonne affaire et honnêteté envers le client et le partenaire

5. L'annonce de vente professionnelle répond à votre demande dans les 8 heures.

6. Les produits et services de Nuote sont vendus dans plus de 70 pays avec une bonne réputation


Balises actives: Oeillets en aluminium,Oeillets en aluminium Chine,Fabricant d'oeillets en aluminium
Catégorie associée
envoyer une demande
N'hésitez pas à faire votre demande dans le formulaire ci-dessous. Nous vous répondrons dans les 24 heures.
Produits connexes
X
Nous utilisons des cookies pour vous offrir une meilleure expérience de navigation, analyser le trafic du site et personnaliser le contenu. En utilisant ce site, vous acceptez notre utilisation des cookies. politique de confidentialité